
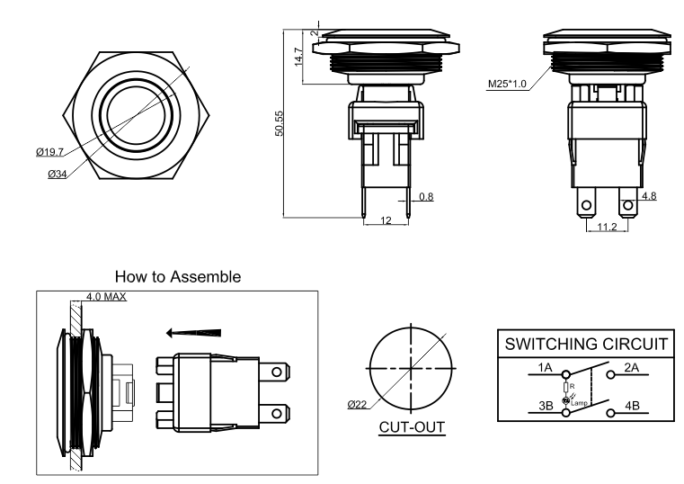
安裝尺寸:Φ30mm
開關額定值:10A 250VAC
按鍵頭部:平鈕、球鈕、高平鈕
發光類型:環形燈,中心燈,電源標
操作類型:自復式(OFF)-ON
接觸電阻:≤50mΩ
絕緣電阻:≥1000mΩ
絕緣強度:2000VAC
環境溫度:-20℃ ~ +55℃
機械壽命:100萬次以上 >1 million times
電器壽命:20萬次以上 >0.2 million times
螺母扭矩:5~14N.m
操作壓力:400gf±100gf
操作行程:1.5±0.5mm
外殼材質:不銹鋼/黃銅鍍鎳
防水等級:IP65/IP67安裝尺寸:Φ16mm
開關額定值:2A/36VDC
按鍵頭部:平鈕、球鈕、高平鈕
操作類型:自復式(OFF)-ON
接觸電阻:≤50mΩ
絕緣電阻:≥1000mΩ
絕緣強度:2000VAC
環境溫度:-20℃ ~ +55℃
機械壽命:100萬次以上 >1 million times
電器壽命:20萬次以上 >0.2 million times
螺母扭矩:5~14N.m
操作壓力:400gf±100gf
操作行程:1.5±0.5mm
外殼材質:不銹鋼/黃銅鍍鎳
防水等級:IP65/IP67

